Каталог

Новости

  • Новая поставка 2025-10

    У нас новая большая поставка запчастей, инструмента, механизмов и стекол. Ассортимент стекол стал еще шире - добавились "выпадающие" размеры и толстые стекла. Пишите на e-mail Ваши пожелания - каких именно размеров и форм неоригинальных стекол не хватает на нашем складе с Вашей точки зрения, мы учитываем все пожелания по мере возможности.

    13.10.2025

  • Читать все новости

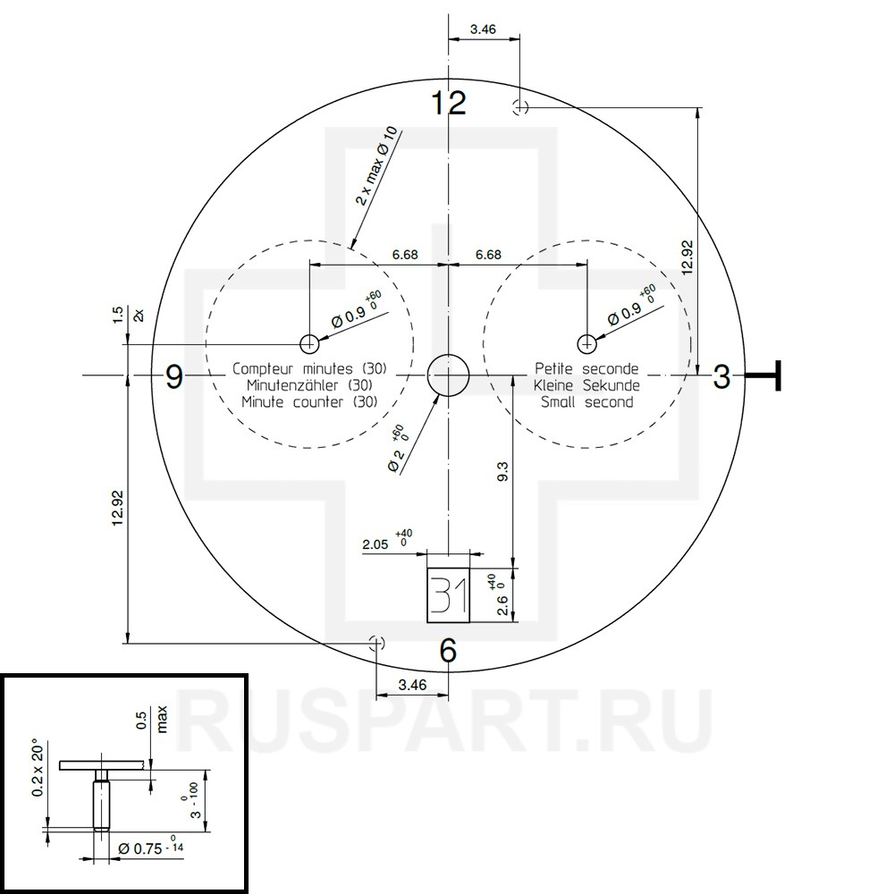
Механизм часовой в сборе RONDA 5021 HH1 D6

Информация о наличии и цене доступна зарегистрированным пользователям

Минимальный заказ:
1 шт.
Бренд:
RONDA
Название:
Механизм часовой в сборе
Модель:
5021 HH1 D6
Кодировка:
RLM.5021.D
Страна происхождения:
Швейцария
Свойства:
6H
Описание

MOVEMENT RONDA 5021.D, SIZE 12 1/2''', 3 HANDS, AIG1 (HAND FITTING HEIGHT No 1), DATE AT 6
Механизм поставляется только в индивидуальных жестких пластиковых боксах с ложементами.

Если вы хотите приобрести Механизм часовой в сборе RONDA 5021 HH1 D6, пожалуйста, на сайт или зарегистрируйтесь.

Обратите внимание!
Мы не продаем запасные части для часов, механизмы, батарейки и т.п. в розницу физическим лицам. Обращайтесь в авторизованные сервисные центры или к дилерам по продаже часов в вашем регионе. Информацию о них можно найти на сайтах производителей часов.

Если вы хотите приобретать запасные части для часов, механизмы, батарейки и т.п. оптом, пожалуйста, зарегистрируйтесь как юридическое лицо.

Поделиться ссылкой

Сопутствующие товары

  • Переводной вал RONDA 4002.B WM-RDA-3000.177 (3000.177, RL3000.177)

    Код WM-RDA-3000.177 (3000.177, RL3000.177)

    Переводной вал RONDA 4002.B

    Описание: 0.90 mm, 20 мм.

    Совместимость: 5040- 5030

    РРЦ: 550.00

    Информация о наличии доступна зарегистрированным пользователям

  • Переводное колесо RONDA 5XXX WM-RDA-3004.164 (3004.164)

    Код WM-RDA-3004.164 (3004.164)

    Переводное колесо RONDA 5XXX

    РРЦ: 300.00

    Информация о наличии доступна зарегистрированным пользователям

  • Изолятор батарейки RONDA 5xxxx WM-RDA-3603.034 (3603.034)

    Код WM-RDA-3603.034 (3603.034)

    Изолятор батарейки RONDA 5xxxx

    РРЦ: 300.00

    Информация о наличии доступна зарегистрированным пользователям

  • Центральный мост RONDA 5xxxx 2030.017.CO

    РРЦ: 1 800.00

    Информация о наличии доступна зарегистрированным пользователям

Аналогичные товары

  • Механизм часовой в сборе RONDA 5021 HH1 D6 - SALE M-RDP5021.DD6 (5021.D-6H, 5021.DD6)

    Код M-RDP5021.DD6 (5021.D-6H, 5021.DD6)

    Механизм часовой в сборе RONDA 5021 HH1 D6 - SALE

    Описание: MOVEMENT RONDA 5021.D, SIZE 12 1/2''', 3 HANDS, AIG1 (HAND FITTING HEIGHT No 1), DATE AT 6 Механизм поставляется только в индивидуальных жестких пластиковых боксах с ложементами.…

    Совместимость: 6H

    РРЦ: 11 550.00

    Информация о наличии доступна зарегистрированным пользователям

  • Механизм часовой в сборе Swarovski 5210208 5029489

    Код 5029489

    Механизм часовой в сборе Swarovski 5210208

    Описание: Мех.часов.кварц. RONDA 5021.D H1

    РРЦ: 10 650.00

    Информация о наличии доступна зарегистрированным пользователям

  • Механизм часовой в сборе Swarovski Ronda 5021.D h1 BL/WH 5145165

    Код 5145165

    Механизм часовой в сборе Swarovski Ronda 5021.D h1 BL/WH

    Описание: MOVEMENT RONDA 5021.D H1 BLACK /WH T

    Совместимость: циферблат даты

    РРЦ: 5 350.00

    Информация о наличии доступна зарегистрированным пользователям